一、产品介绍
我公司致力于纽扣电池、电池座等纽扣电池周边产品生产制造十余年, 电池座产品100%参照台湾工艺流程制造,质量可靠欢迎选购。
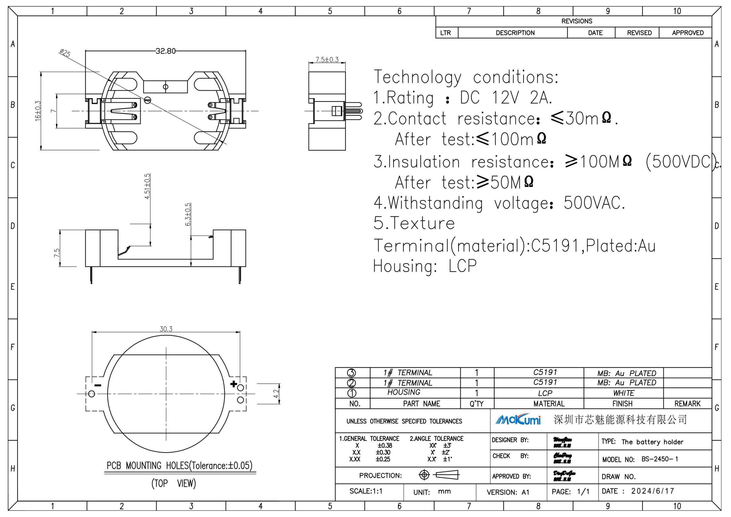
产品名称:BS-2450-1
适用电池:CR2450系列
五金材质:磷铜镀金
塑胶材质:LCP(白色)
耐高温性能:275℃
触点和电池之间的接触电阻小于100 mΩ(在AC 1 kHz的情况下测得;依据电池的外壳材料)
二、属性
更换电池方便、快速
设计有纽扣电池的卡紧固定装置
纽扣电池安装牢固连接明确
分隔防止短路极性反接保护(极化)
防止故障电流结构坚固,由于具备额外的定位销,因此电路板的安装更加方便安全
适用于回流焊接

推荐产品
解决方案